A plane can be constructed from any two features. The resultant plane (mid plane) is equally spaced from the centroids of the two specified input features.
To construct a mid plane:
Access the Construct Plane dialog box (Insert | Feature | Constructed | Plane).
Select the Midplane option.
Select two features of any type.
Click the Create button.
The Edit window command
line for this option would read:
CONSTR/PLANE,MID,feat_1,feat_2

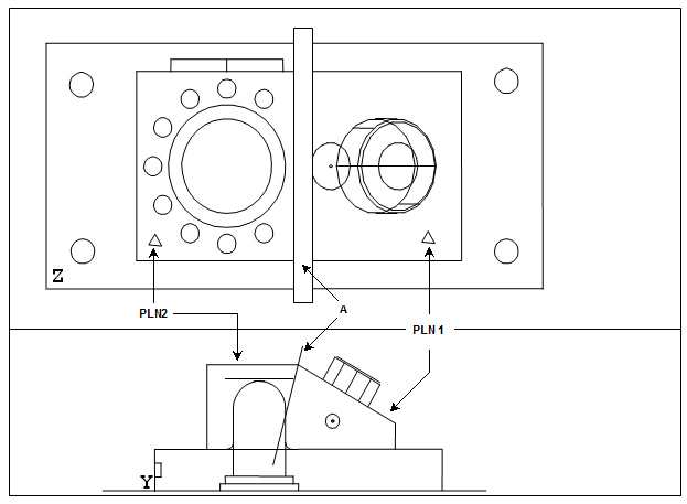
A - Constructed plane equally spaced between
two planes (PLN1 and PLN2).
Constructing a Plane from Two Planes
The constructed plane and its vector depends on the input features used:
If you select planes for both input features, then the mid plane is located where it bisects the smaller included angle between the two input planes.
If you don't select a plane for both input features, then the constructed mid-plane passes through the point midway between the centroids of the two input features. The constructed plane's vector runs from the first input feature's centroid to the second input feature's centroid.